首页
关于鸿图
公司简介
发展历程
资质证书
组织架构
公司形象
团队建设
合作伙伴
资讯中心
鸿图新闻
行业资讯
常见问答
招聘中心
燃气安全
天然气基本知识
规范使用
保险业务
业务与服务
服务理念
服务承诺
客户满意度
政策法规
招投标与采购公告
文化与责任
企业使命
战略目标
企业管理
价值观
燃气产品
联系我们
中文
EN
您的位置:
首页
>
业务与服务
>
政策法规
业务与服务
关于鸿图
公司简介
发展历程
资质证书
组织架构
公司形象
团队建设
合作伙伴
资讯中心
鸿图新闻
行业资讯
常见问答
招聘中心
燃气安全
天然气基本知识
规范使用
保险业务
业务与服务
服务理念
服务承诺
客户满意度
政策法规
招投标与采购公告
文化与责任
企业使命
战略目标
企业管理
价值观
燃气产品
联系我们
联系我们:
400-0516-859
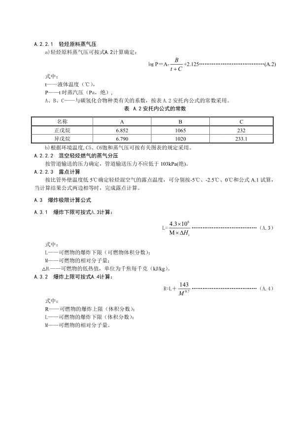
混空轻烃燃气标准
发布日期:2020.04.12
信息摘要:
查看详情 +
上一条
国家鼓励发展的资源节约综合利用和环境保护技术
查看详情 +
下一条
河北省财政厅、住建厅文件
返回列表
本文标签:
想看产品
产品中心,浏览产品各大类目
查看更多>>>>
咨询
如果你有购买需求,请联系我们
从这里咨询>>>>
CopyRight © 2024 鸿图燃气有限公司 版权所有.
备案号:
皖ICP备2023018627号
苏公网安备 32031102001234号
技术支持:
产业信息化部 全站法务:田洁